• Vanaf €100,- gratis bezorgd
  • Vakkundige service, engineering en eigen werkplaats
  • Vandaag besteld vandaag verzonden
0
Winkelwagen (0)

Geen producten

Assortiment

Lantaarnstuk Groep 3.5, Flens 350 mm

SKU: 32205

✓ Buitenmaat 350 mm ✓ Pompgroep 3 ✓ Steekmaat 300 mm

195, 96 excl. btw
237, 11 incl. btw
Prijs per stuk

Verwachte levertijd : 1 week(en)

€ 0,00
  • Klantbeoordeling 9,1/10 op Kiyoh
  • Op voorraad en vandaag besteld is vandaag verzonden
  • Vakkundige service, engineering en eigen werkplaats

Productbeschrijving

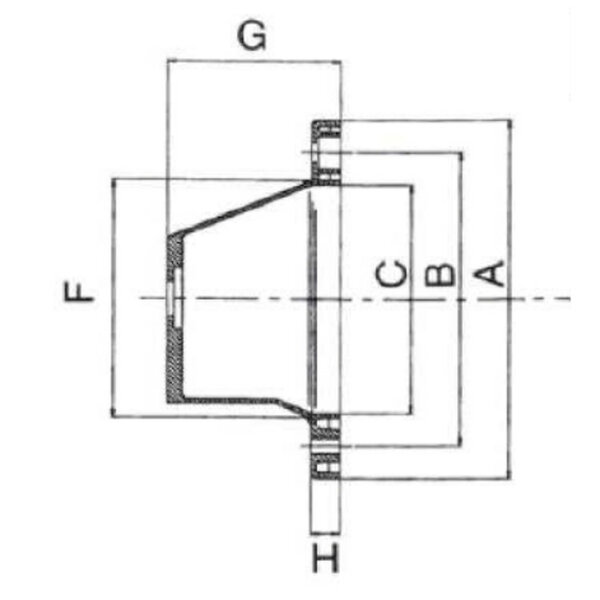
Lantaarnstuk Groep 3.5, Flens 350 mm  

  • Materiaal: aluminium
  • Type: groep 3.5

Technische eigenschappen:

  • Motorflens: 350 mm
  • Motorvermogen: 11,01/22,02 kW (15/30 HP)
  • Pompgroep: 3.5
  • Pasrand: 50,8 mm
  • Pompflens, hartafstand, montageboringen aan de lange zijde: 127 mm
  • Pompflens, hartafstand, montageboringen aan de korte zijde: 97 mm
  • Afmeting ØA: 350 mm
  • Afmeting ØB: 300 mm
  • Afmeting ØC: 250 mm
  • Afmeting ØD: 18 mm
  • Afmeting ØF: 253 mm
  • Afmeting ØP: - mm
  • Afmeting G: 188 mm
  • Afmeting H: 25 mm
  • Afmeting Q: - mm
  • Afmeting R: - mm
  • Afmeting S: - mm

Relevante producten