• Vanaf €100,- gratis bezorgd
  • Vakkundige service, engineering en eigen werkplaats
  • Vandaag besteld vandaag verzonden
0
Winkelwagen (0)

Geen producten

Assortiment

Lantaarnstuk Groep 3.5, Flens 400 mm

SKU: 32207

✓ Buitenmaat 400 mm ✓ Pompgroep 3 ✓ Steekmaat 350 mm

245, 68 excl. btw
297, 27 incl. btw
Prijs per stuk

Verwachte levertijd : 1 week(en)

€ 0,00
  • Klantbeoordeling 9,1/10 op Kiyoh
  • Op voorraad en vandaag besteld is vandaag verzonden
  • Vakkundige service, engineering en eigen werkplaats

Productbeschrijving

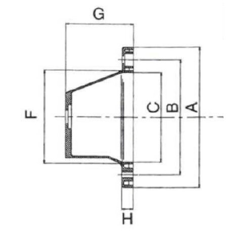
Lantaarnstuk Groep 3.5, Flens 400 mm  

  • Materiaal: aluminium
  • Type: groep 3.5

Technische eigenschappen:

  • Motorflens: 400 mm
  • Motorvermogen: 29,36 kW (40 HP)
  • Pompgroep: 3.5
  • Pasrand: 50,8 mm
  • Pompflens, hartafstand, montageboringen aan de lange zijde: 127 mm
  • Pompflens, hartafstand, montageboringen aan de korte zijde: 97 mm
  • Afmeting ØA: 400 mm
  • Afmeting ØB: 350 mm
  • Afmeting ØC: 300 mm
  • Afmeting ØD: 18 mm
  • Afmeting ØF: 299 mm
  • Afmeting ØP: - mm
  • Afmeting G: 188 mm
  • Afmeting H: 25 mm
  • Afmeting Q: - mm
  • Afmeting R: - mm
  • Afmeting S: - mm 

Relevante producten