• Vanaf €100,- gratis bezorgd
  • Vakkundige service, engineering en eigen werkplaats
  • Vandaag besteld vandaag verzonden
0
Winkelwagen (0)

Geen producten

Assortiment

Hoge druk lage druk schakelventiel VEP FLP 1/2"

SKU: 31843

✓ 15-30l/min ✓ 350bar ✓ Buna N

111, 42 excl. btw
134, 82 incl. btw
Prijs per stuk incl. BTW

Op voorraad

Op werkdagen voor 17:00 besteld is dezelfde dag verzonden!

€ 0,00
  • Klantbeoordeling 9,1/10 op Kiyoh
  • Op voorraad en vandaag besteld is vandaag verzonden
  • Vakkundige service, engineering en eigen werkplaats

Productbeschrijving

Hoge druk lage druk schakelventiel VEP FLP ½”

  • Afdichtingen: buna N
  • Interne componenten: gehard staal
  • Behuizing: verzinkt staal

Technische specificaties:

  • Type: VEP FLP 1/2"
  • Maximale volume stroom AP: 15 l/min
  • Maximale volume stroom BP: 45 l/min
  • Maximale volume stroom T: 55 l/min
  • Maximale druk AP: 350 bar
  • Maximale druk BP: 80 bar
  • Gewicht: 2,5 kg

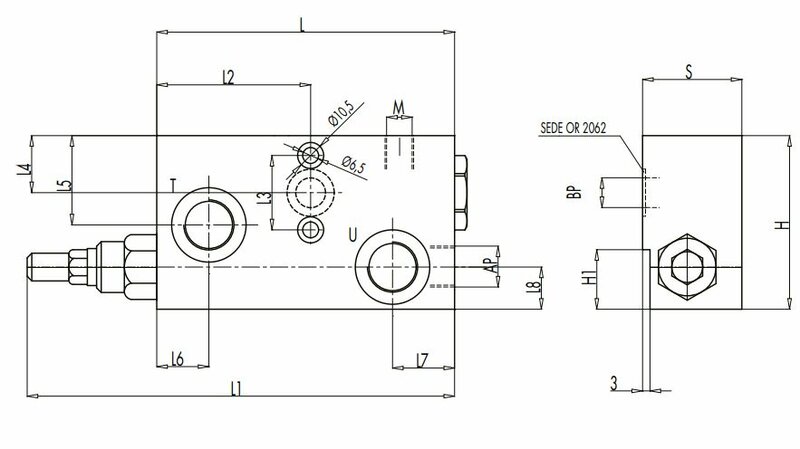
Maatgeving tekening:

Afmeting:    Afmeting:  
AP 3/8" BSP L7 25
BP 11 L8 17
M 1/4" BSP H1 24
T-U 1/2" BSP H 70
L 120    
L1 170    
L2  61    
L3 30    
L4 23    
L5 36    
L6 21