• Vanaf €100,- gratis bezorgd
  • Vakkundige service, engineering en eigen werkplaats
  • Vandaag besteld vandaag verzonden
0
Winkelwagen (0)

Geen producten

Assortiment
Home Overzicht dichtsets voor Cetop ventielen

Overzicht dichtsets voor Cetop ventielen

Overzicht dichtsets voor Cetop ventielen Indien er bij hydraulische apparaten lekkages ontstaan zijn deze in veel gevallen te dichten door meerdere opties waaronder het vervangen van O-ringen. In een eerder blogartikel hebben wij al een algemene uitleg gegeven over het gebruik van afdichtingen in hydraulische systemen. In dit artikel gaan wij specifiek in op afdichtingen die geschikt zijn voor Cetop stuurventielen

De meestvoorkomende Cetop maten zijn Cetop 3 (NG6), Cetop 5 (NG10) en Cetop 7 (NG16) maar onderaan deze pagina staat een tabel met een handig overzicht van alle Cetop bouwgroottes. Cetop stuurventielen zijn namelijk beschikbaar in vele verschillende bouwgroottes. Daarom is het belangrijk om eerst de hart-maat op te meten voordat we gaan bepalen welke O-ringen we nodig hebben als afdichting.

Bekijk hier tekeningen van alle Cetop stuurventielen. De benodigde afmetingen zijn omcirkeld en terug te vinden in de tabel onderaan de pagina.

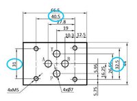
Cetop 3 (NG6) benodigde afmetingen
Cetop 03 (NG6) benodigde afmetingen

Cetop 05 (NG10) benodigde afmetingen

Cetop 07 (NG16) benodigde afmetingen


Cetop 2 (NG4) en Cetop 3 (NG6)
Bestel de O-ringen uit de onderstaande tabel voor NG4 en NG6. Omdat de oliepoorten symmetrisch opgesteld zijn, is het patroon van de bevestigingsgaten asymmetrisch gemaakt. Daardoor kan het stuurventiel niet verkeerdom gemonteerd worden. Lijkt het stuurventiel bij montage niet goed te passen, dan dient deze dus 180 graden gedraaid te worden.
 
Cetop NG Bouten Breedte Lengte O-ringen Quad ring
2 4 4x M5 22,5/24 24 4x 7,65x1,78  
3 6 4x M5 31/32,5 40,5 4x 9,25x1,78  
5 10 4x M6 46 54 5x 12,42x1,78  
7 16 4xM10
2x M6
69,9 101,6 4x 22,22x2,62 &
2x 10,82x1,78
 
8 25 6x M12 92,1 53,2/77/130,2 4x 29,82x2,62 &
2x 20,30x2,62
 

Bestel ook Cetop 3 (NG6) O-ringen bij Cetop 7 (NG16) en Cetop 8 (NG25)
Indien je afdichtingen nodig hebt voor een Cetop 7 of Cetop 8 ventiel dan is het ook noodzakelijk om de O-ringen voor een NG6 ventiel mee te bestellen. Dit ventiel zit namelijk altijd voorgemonteerd op de Cetop 7 (NG16) en 8 (NG25) stuurventielen. 

Afdichtplaatjes voor Cetop 3 (NG6) en Cetop 5 (NG10)
Bekijk in deze categorie ook de afdichtplaatjes voor de NG6 en NG10 ventielen. Deze kunnen geplaatst worden omdat omdat bepaalde tussenventielen omkeerbaar zijn en daarom een afdichtplaatje hebben en geen kamers waar de afdichtingen moeten komen.
 
  Donny     22-04-2022 10:22     Reacties ( 0 )
Reacties (0)

Geen reacties gevonden.