• Vanaf €100,- gratis bezorgd
  • Vakkundige service, engineering en eigen werkplaats
  • Vandaag besteld vandaag verzonden
0
Winkelwagen (0)

Geen producten

Assortiment

Gesloten plug voor P120 stuurventielen

SKU: 35414

✓ Reserveonderdeel ✓ Geschikt voor P120 stuurventiel ✓ Gesloten plug

10, 82 excl. btw
13, 09 incl. btw
Prijs per stuk

Verwachte levertijd : 3 dag(en)

€ 5,74
  • Klantbeoordeling 9,1/10 op Kiyoh
  • Op voorraad en vandaag besteld is vandaag verzonden
  • Vakkundige service, engineering en eigen werkplaats

Productbeschrijving

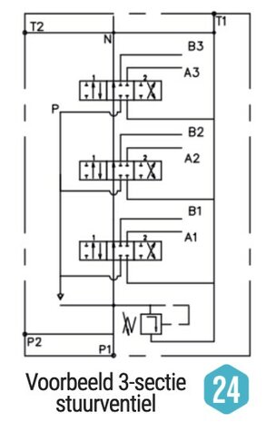
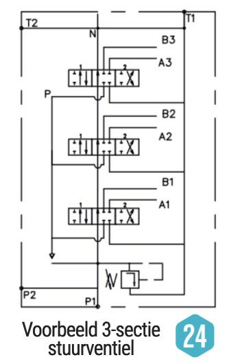
Gesloten plug voor P120 stuurventielen

  • De gesloten plug wordt in de N-poort van een P40 (of P80, P120) stuurventiel geschroefd.
  • Deze blokkeert de interne verbinding tussen P en T in de neutrale stand.

Technische eigenschappen:

  • Reserveonderdeel voor: P120 stuurventiel
  • Gewicht: 0,45 kg
  • Eenheid: per stuk

Relevante producten