• Vanaf €100,- gratis bezorgd
  • Vakkundige service, engineering en eigen werkplaats
  • Vandaag besteld vandaag verzonden
0
Winkelwagen (0)

Geen producten

Assortiment

3P120 3 sectie stuurventiel 120 L/min handbediend

SKU: 31709

✓ Stuurventiel ✓ Handbediend ✓ 3 sectie ✓ 120 L/min ✓ 320 bar

410, 67 excl. btw
496, 91 incl. btw
Prijs per stuk

Op voorraad

Op werkdagen voor 17:00 besteld is dezelfde dag verzonden!

€ 0,00
  • Klantbeoordeling 9,1/10 op Kiyoh
  • Op voorraad en vandaag besteld is vandaag verzonden
  • Vakkundige service, engineering en eigen werkplaats

Productbeschrijving

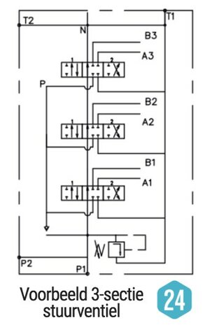
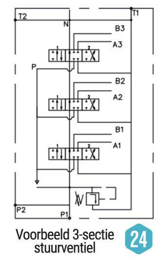
3P120 3 sectie stuurventiel 120 L/min handbediend

Technische specificaties:

  • Type: 3P120
  • Aantal secties: 3
  • Type stuurventiel: 4/3
  • Max. liters per min: 120
  • Plunjer: A = AB gesloten en PT open
  • Bediening: handbediend, veerretour (arretering optioneel)
  • P aansluiting: 1" BSP
  • T aansluiting: 1" BSP
  • A en B aansluiting: 1" BSP
  • Overdrukventiel: ja, instelbaar 125-250 bar
  • Maximale druk: 320 bar 
  • Maximale druk op T: 25 bar

Relevante producten