• Vanaf €100,- gratis bezorgd
  • Vakkundige service, engineering en eigen werkplaats
  • Vandaag besteld vandaag verzonden
0
Winkelwagen (0)

Geen producten

Assortiment

Walvoil constant drukventiel VDA 12

SKU: VDA 12

✓ Walvoil ✓ 1/2" BSP ✓ 50 L/min

335, 48 excl. btw
405, 93 incl. btw
Prijs per stuk

Verwachte levertijd : 2 dag(en)

€ 0,00
  • Klantbeoordeling 9,1/10 op Kiyoh
  • Op voorraad en vandaag besteld is vandaag verzonden
  • Vakkundige service, engineering en eigen werkplaats

Productbeschrijving

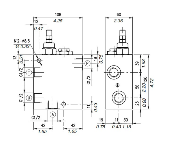
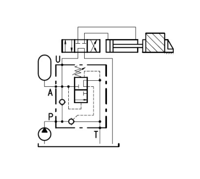
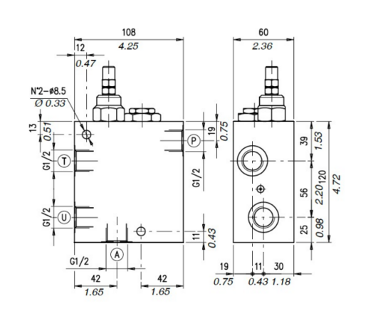
Walvoil constant drukventiel VDA 12

  • Materiaal: aluminium

Technische gegevens:

  • Max. stroming: 50 l/min
  • Max. druk: 250 bar
  • Aansluiting A: 1/2" BSP
  • Aansluiting P en U: 1/2" BSP
  • Merk: Walvoil