• Vanaf €100,- gratis bezorgd
  • Vakkundige service, engineering en eigen werkplaats
  • Vandaag besteld vandaag verzonden
0
Winkelwagen (0)

Geen producten

Assortiment

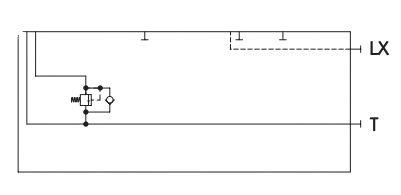
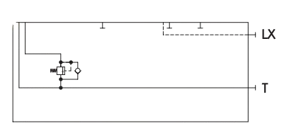
Tank module 1"1/4 | met LX poort

SKU: 54511

✓ Tank module ✓ PVG 100 ✓ G 1'1/4

Productvarianten: Tank module 1"1/4 | met LX poort
Tank module 1"1/4 | met LX poort
Danfoss PVG 100 PVT tank module 1"1/4 | met LX poort
322, 35 excl. btw
390, 04 incl. btw
Prijs per stuk

Op voorraad

Op werkdagen voor 17:00 besteld is dezelfde dag verzonden!

€ 0,00
  • Klantbeoordeling 9,1/10 op Kiyoh
  • Op voorraad en vandaag besteld is vandaag verzonden
  • Vakkundige service, engineering en eigen werkplaats

Productbeschrijving

Tank module 1"1/4 | met LX poort

  • T-poort: G 1"1/4
  • LX poort: G 1/4"
  • Merk: Hydrauliek24
  • Vervangend artikel voor Danfoss 161B2505