• Vanaf €100,- gratis bezorgd
  • Vakkundige service, engineering en eigen werkplaats
  • Vandaag besteld vandaag verzonden
0
Winkelwagen (0)

Geen producten

Assortiment

Slangbreukventiel - VUBA 1'' BSP MFF/MFF

SKU: 30595

✓ 1" BSP ✓ 350 bar ✓ 75mm

35, 37 excl. btw
42, 80 incl. btw
Prijs per stuk

Op voorraad

Op werkdagen voor 17:00 besteld is dezelfde dag verzonden!

€ 5,74
  • Klantbeoordeling 9,1/10 op Kiyoh
  • Op voorraad en vandaag besteld is vandaag verzonden
  • Vakkundige service, engineering en eigen werkplaats

Productbeschrijving

Slangbreukventiel - VUBA 1'' BSP MFF/MFF

  • Behuizing: verzinkt staal
  • Interne componenten: gehard staal
  • V/C vrije doorstroom
  • Aansluiting C gemonteerd op cilinder
  • 2 X BSP binnendraad aansluiting
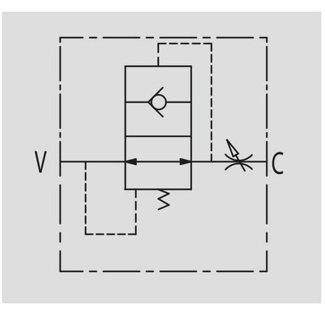
  • Afbeelding 2: schema cartridge slangbreukventiel 
  • Afbeelding 3: schema geïntegreerde terugslagklep

Technische eigenschappen:

  • Max. volume stroom: 180 l/min 
  • Max. werkdruk: 350 bar
  • Sleutelmaat: 41 mm
  • Draadaansluiting: 1" BSP
  • Inbouwmaat: 85 mm