• Vanaf €100,- gratis bezorgd
  • Vakkundige service, engineering en eigen werkplaats
  • Vandaag besteld vandaag verzonden
0
Winkelwagen (0)

Geen producten

Assortiment

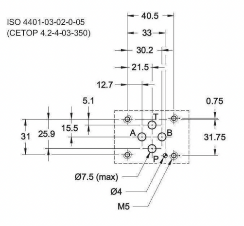
NG6 12 VDC Cetop Elektrisch 4/2 stuurventiel H middenstand 350 bar

SKU: 36442

✓ 4/2 Stuurventiel ✓ NG6 ✓ 12 VDC ✓ 60 L/min ✓ 350 bar ✓ Merk: Duplomatic

189, 66 excl. btw
229, 49 incl. btw
Prijs per stuk

Verwachte levertijd : 1 week(en)

€ 0,00
  • Klantbeoordeling 9,1/10 op Kiyoh
  • Op voorraad en vandaag besteld is vandaag verzonden
  • Vakkundige service, engineering en eigen werkplaats

Productbeschrijving

NG6 12 VDC Cetop Elektrisch 4/2 stuurventiel H middenstand 350 bar

  • Type stuurventiel: 4/2 
  • Inhoud verpakking: cetop stekker, cetop ventiel en 4xM5 bevestigingsbouten

Technische specificaties:

  • Bediening: elektrisch
  • Cetop model: NG6
  • Voltage: 12 VDC
  • Plunjer: H-middenstand
  • Max. olie stroom: 60 l/min
  • Max. druk: 350 bar
  • Werkdruk A, B, P: 350 bar
  • Werkdruk T: 160 bar
  • Merk: Duplomatic

Relevante producten