• Vanaf €100,- gratis bezorgd
  • Vakkundige service, engineering en eigen werkplaats
  • Vandaag besteld vandaag verzonden
0
Winkelwagen (0)

Geen producten

Assortiment

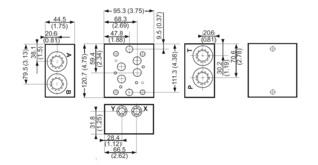
NG16 voetplaat | 1 voudig zonder overdrukventiel | 1" BSP | zijaansluitingen

SKU: 53532

✓ NG16 voetplaat ✓ 1'' BSP ✓ enkelvoudig ✓ zijaansluitingen

188, 47 excl. btw
228, 05 incl. btw
Prijs per stuk

Verwachte levertijd : 1 week(en)

€ 0,00
  • Klantbeoordeling 9,1/10 op Kiyoh
  • Op voorraad en vandaag besteld is vandaag verzonden
  • Vakkundige service, engineering en eigen werkplaats

Productbeschrijving

NG16 voetplaat | 1 voudig zonder overdrukventiel | 1" BSP | zijaansluitingen

  • Type: onderblok NG16
  • Inhoud verpakking: onderblok zonder overdruk ventiel

Technische eigenschappen:

  • Cetop model: NG16
  • Afmeting R1: 1" BSP
  • Max. olie stroom: 300 l/min
  • Max. druk: 350 bar