• Vanaf €100,- gratis bezorgd
  • Vakkundige service, engineering en eigen werkplaats
  • Vandaag besteld vandaag verzonden
0
Winkelwagen (0)

Geen producten

Assortiment

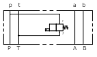
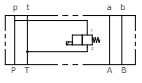
NG6 tussenventiel huis voor 2/2 klep P-T

SKU: 52401

✓ 3/4 UNF ✓ NG6 ✓ P en T poort

71, 35 excl. btw
86, 33 incl. btw
Prijs per stuk

Op voorraad

Op werkdagen voor 17:00 besteld is dezelfde dag verzonden!

€ 5,74
  • Klantbeoordeling 9,1/10 op Kiyoh
  • Op voorraad en vandaag besteld is vandaag verzonden
  • Vakkundige service, engineering en eigen werkplaats

Productbeschrijving

NG6 tussenventiel huis voor 2/2 klep P-T

  • Type ventiel: elektrisch tussenventriel
  • Materiaal: aluminium

Technische eigenschappen:

  • Cetop model: NG6
  • Draadaansluiting: 3/4 UNF
  • Geschikt voor: P en T poort
  • Hoogte: 40 mm
  • Lengte: 90 mm
  • Breedte: 48 mm