• Vanaf €100,- gratis bezorgd
  • Vakkundige service, engineering en eigen werkplaats
  • Vandaag besteld vandaag verzonden
0
Winkelwagen (0)

Geen producten

Assortiment

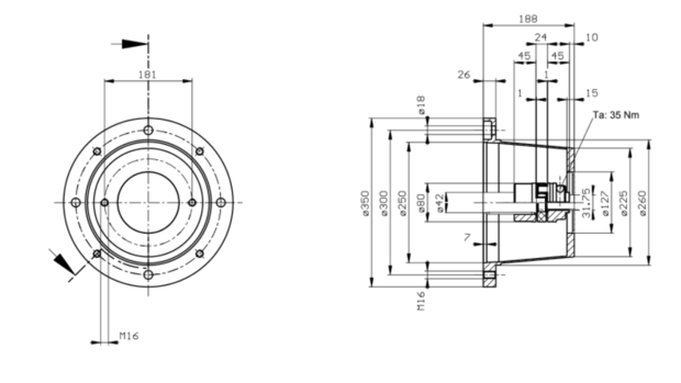
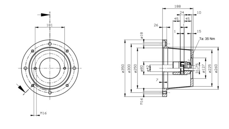
Lantaarnstuk SAE-C as 42mm flensgrootte 350mm

SKU: 37540

✓ SAE-C ✓ Lantaarnstuk ✓Bouwgrootte 160 ✓Flens diameter 350mm

241, 92 excl. btw
292, 72 incl. btw
Prijs per stuk

Op voorraad

Op werkdagen voor 17:00 besteld is dezelfde dag verzonden!

€ 0,00
  • Klantbeoordeling 9,1/10 op Kiyoh
  • Op voorraad en vandaag besteld is vandaag verzonden
  • Vakkundige service, engineering en eigen werkplaats

Productbeschrijving

Lantaarnstuk SAE-C as 42mm flensgrootte 350mm

  • Materiaal: staal
  • Geschikt voor: 11kW en 15kW elektromotor met bouwgrootte 160, flensgrootte (buitendiameter) 350 en as diameter 42

Technische specificaties lantaarnstuk SAE-B (Z=14) voor 11kW en 15kW motor

  • Pasrand pomp: 127mm (SAE-C)
  • Model: PK 350/04/81-00
  • Artikelcode: 103526048100
  • Merk: KTR

Relevante producten