• Vanaf €100,- gratis bezorgd
  • Vakkundige service, engineering en eigen werkplaats
  • Vandaag besteld vandaag verzonden
0
Winkelwagen (0)

Geen producten

Assortiment

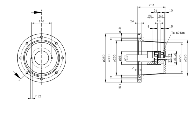
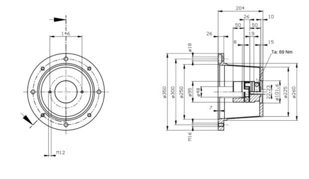
Lantaarnstuk SAE-B as 48mm flensgrootte 350mm

SKU: 37532

✓ SAE-B ✓ Lantaarnstuk ✓Bouwgrootte 180 ✓Flens diameter 350mm

318, 37 excl. btw
385, 23 incl. btw
Prijs per stuk

Op voorraad

Op werkdagen voor 17:00 besteld is dezelfde dag verzonden!

€ 0,00
  • Klantbeoordeling 9,1/10 op Kiyoh
  • Op voorraad en vandaag besteld is vandaag verzonden
  • Vakkundige service, engineering en eigen werkplaats

Productbeschrijving

Lantaarnstuk SAE-B as 48mm flensgrootte 350mm

  • Materiaal: staal
  • Geschikt voor: 18,5kW en 22kW elektromotor met bouwgrootte 180, flensgrootte (buitendiameter) 350 en as diameter 48

Technische specificaties lantaarnstuk SAE-B (Z=13) voor 18,5kW en 22kW motor

  • Pasrand pomp: 101,6mm (SAE-B)
  • Model:b PK 350/06/04-00
  • Artikelcode: 103526060400
  • Merk: KTR