• Vanaf €100,- gratis bezorgd
  • Vakkundige service, engineering en eigen werkplaats
  • Vandaag besteld vandaag verzonden
0
Winkelwagen (0)

Geen producten

Assortiment

IJlgangventiel voor cilinder 1/2" BSP 60 l/min

SKU: 36921

✓ 1/2" BSP ✓ 350 bar ✓ 60 L/min ✓ staal

164, 90 excl. btw
199, 53 incl. btw
Prijs per stuk

Op voorraad

Op werkdagen voor 17:00 besteld is dezelfde dag verzonden!

€ 0,00
  • Klantbeoordeling 9,1/10 op Kiyoh
  • Op voorraad en vandaag besteld is vandaag verzonden
  • Vakkundige service, engineering en eigen werkplaats

Productbeschrijving

IJlgangventiel voor cilinder 1/2" BSP 60 l/min

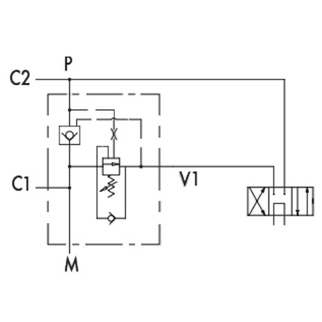
  • Doel: dient voor het versnellen van de cilinder
  • Ook bekend als: differentiaal ventiel
  • Eenheid: per stuk
  • Merk: Oleodinamica Marchesini

Technische eigenschappen:

  • Aansluiting: 1/2" BSP
  • Maximale capaciteit: 60 l/min
  • Maximale durk: 350 bar
  • Druk range: 50 - 350 bar
  • Pilot ratio: 1:4,5
  • Art. code: V1220
  • Materiaal: staal

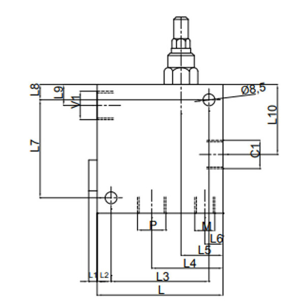
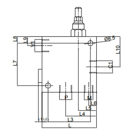
Technische specificaties:

  • Afmeting L: 90 mm
  • Afmeting L1: 4 mm
  • Afmeting L2: 10 mm
  • Afmeting L3: 70 mm
  • Afmeting L4: 49,5 mm
  • Afmeting L5: 30 mm
  • Afmeting L6: 16 mm
  • Afmeting L7: 70 mm
  • Afmeting L8: 12 mm
  • Afmeting L9: 21 mm
  • Afmeting L10: 50 mm
  • Afmeting H: 92 mm
  • Afmeting H1: 142 mm
  • Afmeting S: 35 mm