• Vanaf €100,- gratis bezorgd
  • Vakkundige service, engineering en eigen werkplaats
  • Vandaag besteld vandaag verzonden
0
Winkelwagen (0)

Geen producten

Assortiment

IE1 Elektromotor 1,1 kW, 230/400 Volt Voetflensbevestiging B3-B5, 3000 RPM

SKU: 33380

✓ 3 fase ✓ IE1 Elektromotor 1,1 kW ✓ 230/400 V ✓ B3 voet ✓ B5 flens ✓ 3000 RPM ✓ 2 polen

175, 27 excl. btw
212, 08 incl. btw
Prijs per stuk

Op voorraad

Op werkdagen voor 17:00 besteld is dezelfde dag verzonden!

€ 0,00
  • Klantbeoordeling 9,1/10 op Kiyoh
  • Op voorraad en vandaag besteld is vandaag verzonden
  • Vakkundige service, engineering en eigen werkplaats

Productbeschrijving

IE1 Elektromotor 1,1 kW, 230/400 Volt met voet-flensbevestiging B3-B5, 3000 RPM

  • Uitermate geschikt als motor voor een hydrauliekaggregaat
  • Te gebruiken in combinatie met een lantaarnstuk
  • Voorzien van bevestigingssteun (B3)
  • Let op: 230V is de spoelspanning en 400V is de aansluitspanning. Deze elektromotor kan niet worden aangesloten op 230V

Technishe eigenschappen:

  • Motortype: MS 80 2-2
  • Bouwgrootte: 80
  • Materiaal: aluminium
  • Voltage: 230/400 Volt (50 Hz) 
  • Vermogen: 1,1 kW / 1,3 pk
  • As: 19 mm met spiebaan
  • Flens diameter: 200 mm
  • Moment: 3,79 Nm
  • Toerental: 2770 RPM
  • Geluidsniveau: 67 dB
  • Gewicht: 10 kg
  • Type voet: B3
  • Type flens: B5
  • Voor verdere specificaties zie specssheet 1.

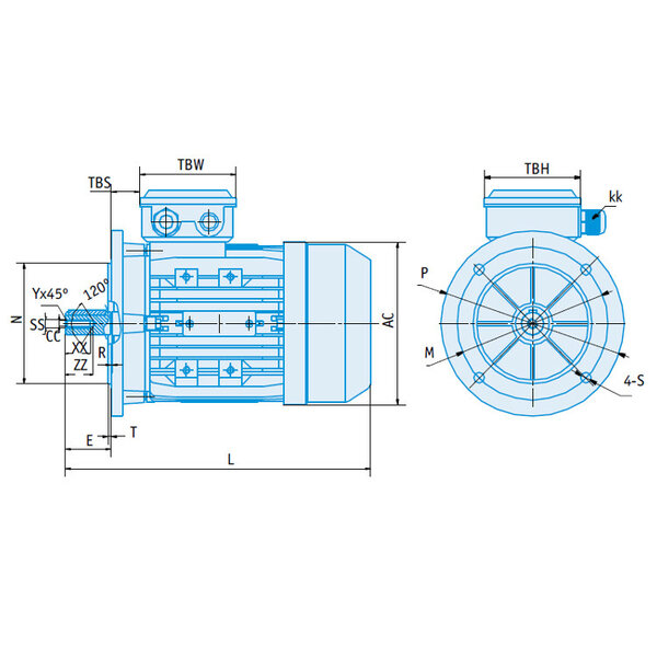
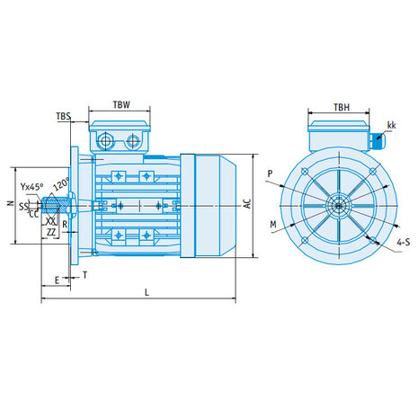
Maatgeving technische tekening (in mm):

A 125 TBS 27 D 19 M   165  
AA   160 TBW   105   E 40 N 130
AC 163 TBH 105 F 6 P 200
B 100     G 15,5   S 12
C 50     SS   M6 T 3,5
H 80     XX 16    
HD 213     ZZ 21    
K 10x13            
KK 1-M20x1,5               
L 290            

Voor verdere uitgebreide technische tekening zie specssheet 2.