• Vanaf €100,- gratis bezorgd
  • Vakkundige service, engineering en eigen werkplaats
  • Vandaag besteld vandaag verzonden
0
Winkelwagen (0)

Geen producten

Assortiment

IE1 Elektromotor 0,55 kW | 230/400 Volt | Voetflensbevestiging B3 | 3000 RPM

✓ 3 fase ✓ IE1 Elektromotor 0,55 kW ✓ 230/400 V ✓ B3 voet ✓ 3000 RPM ✓ 2 polen

156, 97 excl. btw
189, 93 incl. btw
Prijs per stuk

Verwachte levertijd : 1 week(en)

€ 0,00
  • Klantbeoordeling 9,1/10 op Kiyoh
  • Op voorraad en vandaag besteld is vandaag verzonden
  • Vakkundige service, engineering en eigen werkplaats

Productbeschrijving

IE1 Elektromotor 0,55 kW | 230/400 Volt | Voetflensbevestiging B3 | 3000 RPM

  • Uitermate geschikt als motor voor een hydrauliekaggregaat
  • Te gebruiken in combinatie met een lantaarnstuk
  • Voorzien van bevestigingssteun (B3)
  • Let op: 230V is de spoelspanning en 400V is de aansluitspanning. Deze elektromotor kan niet worden aangesloten op 230V

Technische eigenschappen:

  • Motortype: MS 71 2-2
  • Bouwgrootte: 71
  • Materiaal: aluminium
  • Voltage: 230/400 Volt (50 Hz) 
  • Vermogen: 0,55 kW / 0,75 pk
  • As: 14 mm met spiebaan
  • Flens diameter: 105 mm
  • Moment: 1,90 Nm
  • Toerental: 2760 RPM
  • Geluidsniveau: 64 dB
  • Gewicht: 6 kg
  • Type voet: B3
  • Voor verdere specificaties zie specssheet 1.

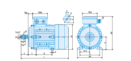
Maatgeving technische tekening (in mm):

A 112 TBS 20 D 14
AA   132 TBW   94   E 30
AC 147 TBH 94 F 5
B 90     G 11  
C 45     SS   M5
H 71        
HD 186        
K 7x10        
KK 1-M20x1,5           
L 241        

Voor verdere uitgebreide technische tekening zie specssheet afmetingen.