• Vanaf €100,- gratis bezorgd
  • Vakkundige service, engineering en eigen werkplaats
  • Vandaag besteld vandaag verzonden
0
Winkelwagen (0)

Geen producten

Assortiment

Hydraulische stuurunit 100cc - met kleppen

SKU: 32479

✓ Stuurorbit rol ✓ 100 cc ✓ Geschikt voor o.a. agrarische voertuigen

302, 22 excl. btw
365, 69 incl. btw
Prijs per stuk

Op voorraad

Op werkdagen voor 17:00 besteld is dezelfde dag verzonden!

€ 0,00
  • Klantbeoordeling 9,1/10 op Kiyoh
  • Op voorraad en vandaag besteld is vandaag verzonden
  • Vakkundige service, engineering en eigen werkplaats

Productbeschrijving

Hydraulische stuurunit 100cc 

  • Toepassing: bediening van voertuigen met een hydraulische stuurinrichting

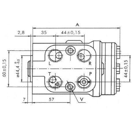
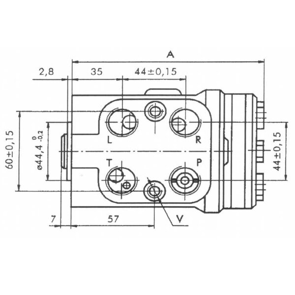
Technsiche specificaties:

  • Type: HKUS100/4
  • Uitvoering: Open center (non-reaction) met geïntegreerd ventiel. Krachten die van buitenaf worden veroorzaakt, worden niet op de stuurinrichting overgedragen. 
  • Slagvolume: 99 cc/omw.
  • Nominale oliestroom: 10 omwentelingen per minuut
  • Nominale druk: 170 bar
  • Overdruk ventiel: 100 bar
  • Veerdruk overdrukventiel: 160 bar
  • Druk op T aansluiting: Standaard 25 bar, maximaal 40 bar
  • Max. koppel: 120 Nm
  • Aansluiting poort L, R, P, T: 1/2" BSP
  • Gewicht: 5,7 kg
  • Afmeting A: 138,8 

Kijk in de bijlage voor ons complete assortiment stuurunits!