• Vanaf €100,- gratis bezorgd
  • Vakkundige service, engineering en eigen werkplaats
  • Vandaag besteld vandaag verzonden
0
Winkelwagen (0)

Geen producten

Assortiment

Elektrische niveaumeter, hydrauliektank 1" BSP aansluiting, 300 mm

SKU: 33109

✓ Elektrische niveaumeter ✓ 1'' BSP aansluiting ✓ 300 mm

93, 20 excl. btw
112, 77 incl. btw
Prijs per stuk

Verwachte levertijd : 2 dag(en)

€ 5,74
  • Klantbeoordeling 9,1/10 op Kiyoh
  • Op voorraad en vandaag besteld is vandaag verzonden
  • Vakkundige service, engineering en eigen werkplaats

Productbeschrijving

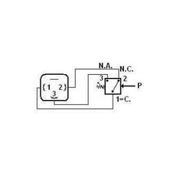
Elektrische niveaumeter, hydrauliektank 1" BSP aansluiting, 300 mm

  • Eenheid: per stuk

Technische specificaties:

  • Aansluiting: 1" BSP
  • Aantal functies: 1
  • Afmeting L: 300 mm
  • Flens van bevestiging: geanodiseerd aluminium
  • Materiaal buis: roestvrij staal
  • Temperatuurbereik: -10 ºC tot +/- 90 ºC
  • Elektrische functies:
    • Elektrische aansluiting volgens DIN 43650
    • Elektrische bescherming volgens DIN 40050: IP65
  • Maximale belasting:
    • AC tot 48V en 0,5A
    • DC tot 48V en 0,5A
  • Installatie: moet tenminste 50 mm van ijzerhoudende wanden en ver van magnetische velden worden geïnstalleerd.