• Vanaf €100,- gratis bezorgd
  • Vakkundige service, engineering en eigen werkplaats
  • Vandaag besteld vandaag verzonden
0
Winkelwagen (0)

Geen producten

Assortiment

Danfoss OMR 50 cc hydraulische motor 32 mm as

SKU: 39130

✓ Danfoss OMR 50 cc ✓ 32 mm as ✓ Met lekaansluiting

Productvarianten: Danfoss OMR 50 cc hydraulische motor 32 mm as
Danfoss OMR 50 cc hydraulische motor 32 mm as
MR50CB 50cc hydraulische motor 32 mm as
490, 35 excl. btw
593, 32 incl. btw
Prijs per stuk

Verwachte levertijd : 2 dag(en)

€ 0,00
  • Klantbeoordeling 9,1/10 op Kiyoh
  • Op voorraad en vandaag besteld is vandaag verzonden
  • Vakkundige service, engineering en eigen werkplaats

Productbeschrijving

Danfoss OMR 50 cc hydraulische motor 32 mm as

De Danfoss OMR 50 cc hydraulische motor zet hydraulische druk efficiënt om in een roterende beweging. Dit model met een 32 mm as en lekaansluiting is ontworpen voor betrouwbare prestaties onder diverse bedrijfsomstandigheden, waarbij het hoge koppel en lage toerental zorgen voor een stabiele aandrijving.

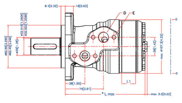
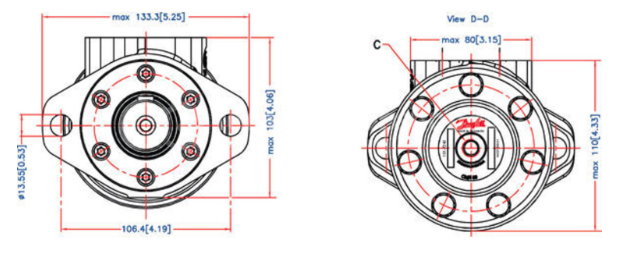
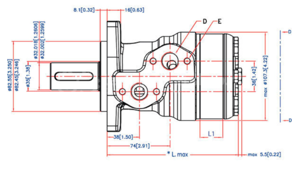
Technische specificaties:

Type OMR
Aansluiting C 1/4" BSP
Aansluiting D 1/2" BSP
Diameter as 32 mm
Type as Recht
Max. capaciteit 60 l/min
Nominale druk 140 bar
Max. werkdruk 175 bar
Piekdruk 225 bar
Afmeting L1 9 mm
Lengte behuizing 141,5 mm
Flenstype SAE A flens 2 en 4 gaats
Motorflens SAE flens 2 gaats
Schroefdraad E M8
Slagvolume 50 cc
Max. toerental 775 RPM
Min. toerental 10 RPM
Vermogen 7 kW

Gebruik de hydromotor keuzehulp om de gewenste hydraulische motor te selecteren. Klik hier.

Waar kun je dit product voor gebruiken?

  • Aandrijving van veegborstels op landbouwvoertuigen
  • Bodemkettingaandrijvingen in ladewagens
  • Regelmatige inzet in strooiwagens en gazonmaaiers
  • Diverse lieren in de bosbouw en landbouw
  • Toepassingen in compacte bouwmachines

Optimaliseer jouw machines met deze Danfoss hydraulische motor. Ontdek zelf hoe dit robuuste onderdeel bijdraagt aan de continuïteit van jouw werkzaamheden.

Veelgestelde vragen (FAQ)

▸ Een van mijn hydraulische motoren stopt met draaien terwijl de andere motoren in serie wel blijven draaien – wat is er aan de hand?

Wanneer in een seriegeschakeld systeem één motor stopt terwijl de rest blijft draaien, duidt dit meestal op interne slijtage of een defecte as van de stilstaande motor. De hydrauliekolie stroomt in dat geval door de defecte motor heen naar de volgende in de keten, zonder voldoende koppel te genereren om de eerste motor in beweging te krijgen. Het advies is om de betreffende motor te demonteren voor revisie of vervanging, aangezien de eerste motor in een serie de hoogste belasting te verduren krijgt. Controleer daarnaast of een overstap naar een parallelle schakeling met flowverdeler voor jouw specifieke toepassing betrouwbaarder zou zijn.

▸ Wat is het verschil tussen een hydraulische pomp en een hydraulische motor?

Hoewel een hydraulische pomp en motor technisch op elkaar lijken, is hun functie precies tegenovergesteld: een hydraulische pomp zet mechanische rotatie om in vloeistofstroom, terwijl een hydraulische motor die vloeistofstroom weer omzet in draaiende beweging. Pomp = de aandrijver, actief olie verplaatsen. Motor = het aangedreven element, krijgt olie aangeboden.