• Vanaf €100,- gratis bezorgd
  • Vakkundige service, engineering en eigen werkplaats
  • Vandaag besteld vandaag verzonden
0
Winkelwagen (0)

Geen producten

Assortiment

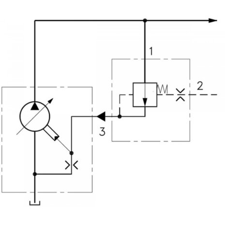
Danfoss LS compensatieventiel PVFC

SKU: 36860

✓ 1/4" BSP ✓ LS-versterker ✓ Voor creëren constante LS (load sensing) druk

323, 91 excl. btw
391, 93 incl. btw
Prijs per stuk

Verwachte levertijd : 2 dag(en)

€ 0,00
  • Klantbeoordeling 9,1/10 op Kiyoh
  • Op voorraad en vandaag besteld is vandaag verzonden
  • Vakkundige service, engineering en eigen werkplaats

Productbeschrijving

Danfoss LS compensatieventiel PVFC

  • LS-versterker
  • Toepassen indien er LS (load sensing) regelproblemen ontstaan bij PVG verntielen i.c.m. LS pompen
  • Zorgt voor een constante LS druk bij de pomp ongeacht het druk verlies over LS leiding
  • Ook functie als LS begrenzingsventiel
  • Montage in lijn met de LS

Technische specificaties:

  • Draad: 1/4" BSP
  • Merk: Sauer Danfoss