• Vanaf €100,- gratis bezorgd
  • Vakkundige service, engineering en eigen werkplaats
  • Vandaag besteld vandaag verzonden
0
Winkelwagen (0)

Geen producten

Assortiment

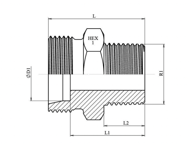
BSPT 1/8" - 6LL (M10x1) male inschroefkoppeling

SKU: 36754

✓ BSPT 1/8" ✓ Metrisch ✓ Male ✓ 100 bar

0, 96 excl. btw
1, 16 incl. btw
Prijs per stuk

Op voorraad

Op werkdagen voor 17:00 besteld is dezelfde dag verzonden!

€ 5,74
  • Groot aanbod hydrauliek koppelingen
  • Stalen en RVS varianten
  • Gebruik de keuzehulp om de juiste koppeling te kiezen
  • Staffel prijzen en voordeelverpakkingen

Productbeschrijving

BSPT 1/8" - 6LL (M10x1) male inschroefkoppeling

Deze male inschroefkoppeling zorgt voor een stevige en betrouwbare verbinding in jouw hydraulisch systeem. Met zijn robuuste staalconstructie en compatibiliteit met BSPT 1/8" schroefdraad, biedt het een praktische oplossing voor het koppelen van verschillende hydraulische componenten.

Technische specificaties:

Materiaal Staal
Afmeting ØD1 6 mm
Afmeting R1 1/8" BSPT
Serie LL
Werkdruk 100 bar
Afmeting L 20 mm
Afmeting L1 14,5 mm
Afmeting L2 8 mm
Afmeting HEX 1 11 mm

Waar kun je dit product voor gebruiken?

  • Verbinding in hydraulische systemen
  • Toepassing in pneumatische installaties
  • Gebruik in industriële machines
  • Integratie in hogedrukleidingen

Ervaar de veelzijdigheid van deze koppeling en ontdek hoe Hydrauliek24 jouw hydraulische toepassingen kan ondersteunen.

Relevante producten