• Vanaf €100,- gratis bezorgd
  • Vakkundige service, engineering en eigen werkplaats
  • Vandaag besteld vandaag verzonden
0
Winkelwagen (0)

Geen producten

Assortiment

Achterpomp 12 cc tandempomp rechts met 8 mm platte as - pasrand 50,8 mm groep 30+20

SKU: 38074

✓ Tandempomp groep 2 ✓ 14 cc ✓ rechts ✓ 8 mm platte as ✓ 250 bar

128, 53 excl. btw
155, 52 incl. btw
Prijs per stuk

Verwachte levertijd : 5 week(en)

€ 0,00
  • Klantbeoordeling 9,1/10 op Kiyoh
  • Op voorraad en vandaag besteld is vandaag verzonden
  • Vakkundige service, engineering en eigen werkplaats

Productbeschrijving

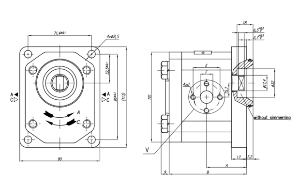
Achterpomp 12 cc tandempomp rechts met 8 mm platte as - pasrand 50,8 mm groep 30+20

Achterpomp voor een groep 2 tandempomp, samen met een groep 3 voorpomp of groep 2 middenpomp (triple of meer) en koppelstukken te combineren om een gewenste tandempomp samen te stellen. De desbetreffende onderdelen zijn eenvoudig met standaard draadstangen te monteren tot een tandempomp. Dit onderdeel wordt geleverd inclusief afdichtingen en exclusief bouten (betreffen standaard draadstangen).

Technische specificaties:

  • Art. nr.: 20C12X201
  • Draairichting: rechts
  • Type pomp: tandwielpomp
  • As: 8 mm platte as
  • Pasrand: 50,8 mm
  • Cc per omwenteling: 12
  • Volume stroom (1500 RPM): 16,92 l/min
  • Volume stroom (max. RPM): 39,48 l/min
  • Max. druk op P: 250 bar
  • Max. omwentelingen: 3500 RPM
  • Afmeting A: 46,6 mm
  • Afmeting B: 90,3 mm

Ingang

  • Afmeting E: 39,7 mm
  • Afmeting F: 19 mm
  • Afmeting D: M8-6H

Uitgang

  • Afmeting E: 30,2 mm
  • Afmeting F: 14,2 mm
  • Afmeting D: M6-6H