• Vanaf €100,- gratis bezorgd
  • Vakkundige service, engineering en eigen werkplaats
  • Vandaag besteld vandaag verzonden
0
Winkelwagen (0)

Geen producten

Assortiment

6,6 x Hydraulische drukversterker | max 800 bar

SKU: 54353

✓ Versterkingsfactor 6,6 ✓ Max. 800 bar

1.207, 50 excl. btw
1.461, 08 incl. btw
Prijs per stuk

Verwachte levertijd : 1 week(en)

€ 0,00
  • Klantbeoordeling 9,1/10 op Kiyoh
  • Op voorraad en vandaag besteld is vandaag verzonden
  • Vakkundige service, engineering en eigen werkplaats

Productbeschrijving

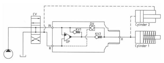
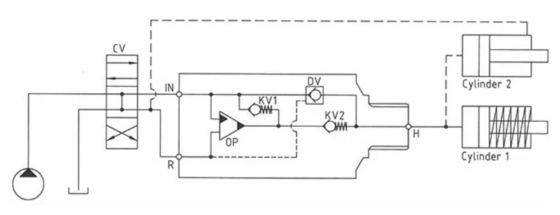
6,6 x Hydraulische drukversterker | max 800 bar
Compacte hydraulische drukbooster geschikt voor het gebruik in toepassingen waar het opbouwen en behouden van hoge druk vereist is. Deze booster verhoogt de geleverde druk naar een hogere uitlaatdruk en compenseert automatisch het olieverbruik om de hoge druk te behouden. De aanpassing van de uitlaatdruk wordt uitgevoerd door de geleverde druk te variëren.

Technische eigenschappen:

  • Versterkingsfactor: 6,6
  • Max. versterkte uitlaatstroom: 1,3 l/min
  • Max. inlaatstroom: 13 l/min
  • Ingaande druk: 121 bar
  • Max. uitgaande druk: 800 bar
  • Met gestuurde terugslagklep - Dump Valve DV
  • Gewicht: 1 kg
  • Merk: Minibooster

Aansluitingen:

  IN / R H
1. 1/4" BSPP 1/4" BSPP