• Vanaf €100,- gratis bezorgd
  • Vakkundige service, engineering en eigen werkplaats
  • Vandaag besteld vandaag verzonden
0
Winkelwagen (0)

Geen producten

Assortiment

5P80 5 sectie 12V elektrisch- handbediend stuurventiel 80 l/min

SKU: 34044

✓ 4/3 Stuurventiel ✓ Elektrisch en handbediend ✓ 5 sectie ✓ 80 L/min ✓ 300 bar

1.406, 82 excl. btw
1.702, 25 incl. btw
Prijs per stuk

Verwachte levertijd : 1 week(en)

€ 0,00
  • Klantbeoordeling 9,1/10 op Kiyoh
  • Op voorraad en vandaag besteld is vandaag verzonden
  • Vakkundige service, engineering en eigen werkplaats

Productbeschrijving

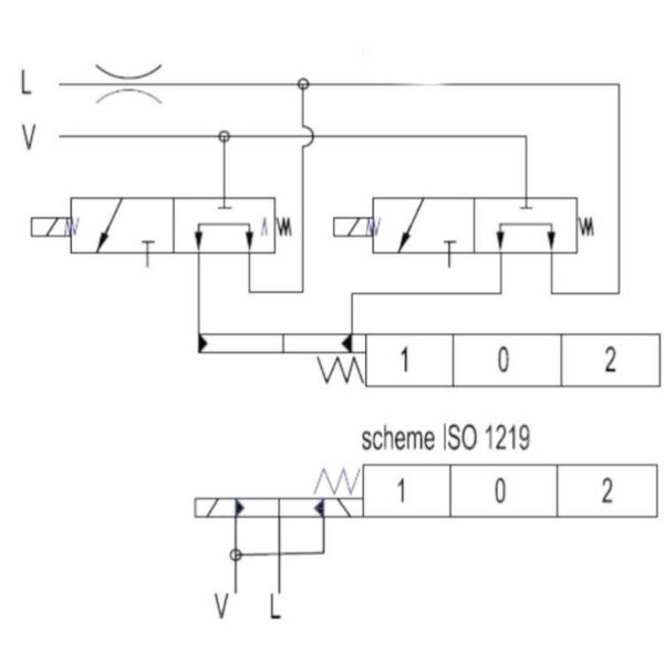
5P80 5 sectie 12V elektrisch- handbediend stuurventiel 80 l/min

Standaard handbediend P80 stuurventiel uitgevoerd met elektrische bediening. Deze elektrische bediening doet exact hetzelfde als de handbediening van stuurventiel doet. 

Technische specificaties:

  • Type: 5P80 met elektrische bediening
  • Aantal secties: 5
  • Type stuurventiel: 4/3
  • Max. liters per min: 80
  • Plunjer: AB gesloten en PT open
  • Bediening: handbediend, met veerretour (arretering optioneel) en elektrisch 12V
  • P aansluiting: 1/2" BSP
  • T aansluiting: 3/4" BSP
  • A en B aansluiting: 1/2" BSP
  • Overdrukventiel: ja, instelbaar 10-250 bar
  • Maximale druk op A en B: 300 bar
  • Maximale druk op P: 250 bar 
  • Maximale druk op T: 25 bar

Relevante producten