• Vanaf €100,- gratis bezorgd
  • Vakkundige service, engineering en eigen werkplaats
  • Vandaag besteld vandaag verzonden
0
Winkelwagen (0)

Geen producten

Assortiment

4P40 4 sectie 24V elektrisch- handbediend stuurventiel 40 l/min

EAN: 34036

✓ 4/3 Stuurventiel ✓ Elektrisch en handbediend ✓ 4 sectie ✓ 40 L/min ✓ 300 bar

1.079, 24 excl. btw
1.305, 88 incl. btw
Prijs per stuk

Op voorraad

Op werkdagen voor 17:00 besteld is dezelfde dag verzonden!

€ 0,00
  • Klantbeoordeling 9,1/10 op Kiyoh
  • Op voorraad en vandaag besteld is vandaag verzonden
  • Vakkundige service, engineering en eigen werkplaats

Productbeschrijving

4P40 4 sectie 12V elektrisch- handbediend stuurventiel 40 l/min

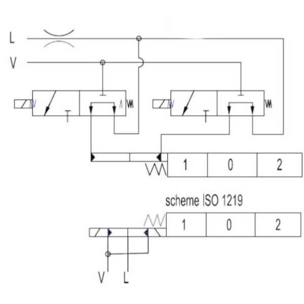
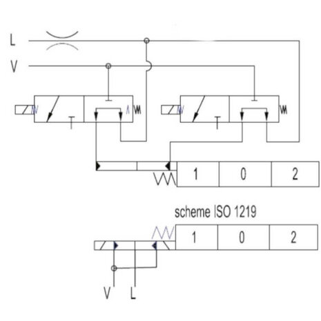
Standaard handbediend P40 stuurventiel uitgevoerd met elektrische bediening. Deze elektrische bediening doet exact hetzelfde als de handbediening van stuurventiel doet. 

Technische specificaties:

  • Type: 4P40 met elektrische bediening
  • Aantal secties: 4
  • Type stuurventiel: 4/3
  • Max. liters per min: 40
  • Plunjer: AB gesloten en PT open
  • Bediening: handbediend, met veerretour (arretering optioneel) en elektrisch 12V
  • P aansluiting: 1/2" BSP
  • T aansluiting: 1/2" BSP
  • A en B aansluiting: 3/8" BSP
  • Overdrukventiel: ja, instelbaar 10-250 bar
  • Maximale druk op A en B: 300 bar
  • Maximale druk op P: 250 bar 
  • Maximale druk op T: 25 bar