• Vanaf €100,- gratis bezorgd
  • Vakkundige service, engineering en eigen werkplaats
  • Vandaag besteld vandaag verzonden
0
Winkelwagen (0)

Geen producten

Assortiment

Tandwielpomp 30 cc links BSP aansluiting met 1:8 conische as groep 20

SKU: 41527

✓ Tandwielpomp ✓ 30 cc ✓ Links ✓ 1:8 conische as

141, 11 excl. btw
170, 74 incl. btw
Prijs per stuk

Verwachte levertijd : 1 week(en)

€ 0,00
  • Klantbeoordeling 9,1/10 op Kiyoh
  • Op voorraad en vandaag besteld is vandaag verzonden
  • Vakkundige service, engineering en eigen werkplaats

Productbeschrijving

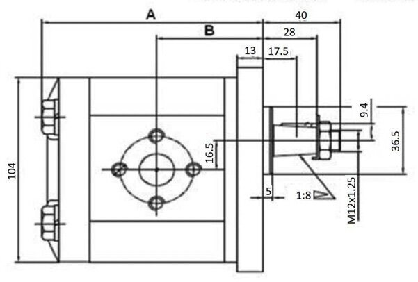
30 cc tandwielpomp links met 1:8 conische as

Technische specificaties:

  • Pompgroep: 20
  • Cc per omwenteling: 30 cc
  • Afmeting inlaat (R1): 3/4” BSP
  • Afmeting uitlaat (R2): 1/2" BSP
  • Draairichting: links
  • Pomp: tandwielpomp
  • Materiaal flens en deksel: aluminium
  • As: 1:8 conische as
  • Flens type: pasrand 36,5 mm groep 20
  • Max. druk: 200 bar
  • Max. piekdruk: 250 bar
  • Min. toerental: 500 RPM
  • Max. toerental: 3000 RPM
  • Afmeting A: 136 mm
  • Afmeting B: 63,5 mm

Relevante producten