• Vanaf €100,- gratis bezorgd
  • Vakkundige service, engineering en eigen werkplaats
  • Vandaag besteld vandaag verzonden
0
Winkelwagen (0)

Geen producten

Assortiment

3-weg klep basishuis zonder patroon 3/4'' UNF 3/8'' BSP

SKU: 37222

✓ 3/8'' ✓ BSP ✓ 3-weg ✓ Basishuis zonder patroon

51, 32 excl. btw
62, 10 incl. btw
Prijs per stuk

Verwachte levertijd : 1 week(en)

€ 5,74
  • Klantbeoordeling 9,1/10 op Kiyoh
  • Op voorraad en vandaag besteld is vandaag verzonden
  • Vakkundige service, engineering en eigen werkplaats

Productbeschrijving

3-weg klep basishuis zonder patroon 3/4'' UNF 3/8'' BSP

Dit 3-weg klep basishuis, vervaardigd uit aluminium, is ontworpen voor naadloze integratie in jouw hydraulische systemen. Het biedt een stabiele basis voor de montage van een patroon en garandeert een betrouwbare doorstroming en controle, essentieel voor de efficiëntie van jouw installatie.

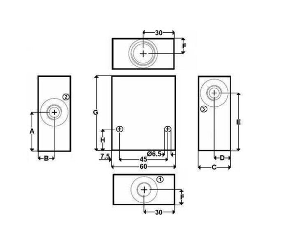
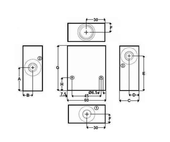
Technische specificaties:

Afmeting R1 3/4'' UNF
Afmeting R2 3/8'' BSP
Size 8
Afmeting A 35,5 mm
Afmeting B 17,5 mm
Afmeting C 35 mm
Afmeting D 17,5 mm
Afmeting E 50 mm
Afmeting F 17,5 mm
Afmeting G 65 mm
Afmeting H 21 mm

Waar kun je dit product voor gebruiken?

  • Als essentieel onderdeel in diverse hydraulische circuits
  • Voor het creëren van een betrouwbare basis voor een 3-weg kleppatroon
  • In systemen waar een nauwkeurige vloeistofstroomcontrole cruciaal is
  • Bij het samenstellen of repareren van hydraulische stuurventielen

Ontdek hoe dit basishuis de functionaliteit van jouw hydraulische systemen versterkt. Vertrouw op de kwaliteit van Hydrauliek24 om jouw werkzaamheden te optimaliseren.