• Vanaf €100,- gratis bezorgd
  • Vakkundige service, engineering en eigen werkplaats
  • Vandaag besteld vandaag verzonden
0
Winkelwagen (0)

Geen producten

Assortiment

28 DFLR plunjerpomp links - open circuit - 28cc - 280 bar

SKU: 43990

✓ Compacte constructie ✓ Open circuit ✓ Verscheidenheid aan pompregelingen ✓ Draairichting links

Productvarianten: 28 DFLR plunjerpomp links - open circuit - 28cc - 280 bar
28 DFLR plunjerpomp links - open circuit - 28cc - 280 bar
28 DFLR plunjerpomp rechts - open circuit - 28cc - 280 bar
28 DFLR plunjerpomp rechts - open circuit - 28cc - 280 bar met doorbouw
28 DFLR plunjerpomp links - open circuit - 28cc - 280 bar met doorbouw
1.645, 64 excl. btw
1.991, 22 incl. btw
Prijs per stuk

Verwachte levertijd : 1 week(en)

€ 0,00
  • Klantbeoordeling 9,1/10 op Kiyoh
  • Op voorraad en vandaag besteld is vandaag verzonden
  • Vakkundige service, engineering en eigen werkplaats

Productbeschrijving

28 DFLR plunjerpomp links - open circuit - 28cc - 280 bar

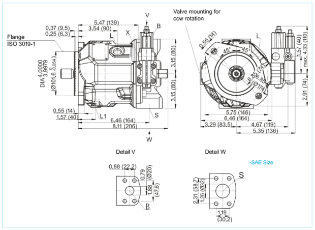
Technische specificaties:

  • Slagvolume: 28 L/min
  • Werkdruk: 280 bar
  • Toerental kracht max.: 3600 omw/min
  • Max. doorstroming: 84 (22) l/min
  • Max. power: 39 (51) kW
  • Max. koppel: 125 (91)
  • Montageflens: ISO 3019-1 (SAE) 2-gats
  • Draairichting: links
  • Eenheid: per stuk
  • Merk: Hydrauliek24
  • Gewicht: 15kg
* De weergegeven waarden zijn geldig voor een absolute druk van 1 bar aan de aanzuigpoort. Als de stroom wordt verminderd of als de inlaatdruk wordt verhoogd, kan de snelheid worden verhoogd.

Technische data:
Informatie DFLR regeling: zie bijlage

1. Ingaande werkdruk bereik
    Absolute druk op poort S
    P(abs) min..................0,8 bar (12 psi)
    P(abs) max.................30 bar (435 psi)

2. Uitgaande werkdruk bereik
    Druk op poort B
    Nominale druk P(n).............280 bar (4000 psi)
    Piek druk         P(max).........350 bar (5100 psi)
    Druk data naar DIN24312

3. Afvoerdruk behuizing
    Maximale druk van lekkend vloeistof (bij poorten L, L1). Maximaal 0,5 bar (7 psi) dan ingaande druk        bij poort S, maar niet hoger dan 2 bar (30 psi) absolute druk.

4. Stromingsrichting: (S naar B)

5. Tabel met waarden (theoretische waarden, afgeronde waarden)
 

Relevante producten:

Relevante producten