• Vanaf €100,- gratis bezorgd
  • Vakkundige service, engineering en eigen werkplaats
  • Vandaag besteld vandaag verzonden
0
Winkelwagen (0)

Geen producten

Assortiment

1 fase elektromotor 1,5 kW 230 Volt | Voetflensbevestiging B3 | 3000 RPM

✓ 1 fase elektromotor 1,5 kW ✓ IE2 ✓ 230V ✓ B3 voet ✓ 3000 RPM

288, 75 excl. btw
349, 39 incl. btw
Prijs per stuk

Verwachte levertijd : 1 week(en)

€ 0,00
  • Klantbeoordeling 9,1/10 op Kiyoh
  • Op voorraad en vandaag besteld is vandaag verzonden
  • Vakkundige service, engineering en eigen werkplaats

Productbeschrijving

1 fase elektromotor 1,5 kW 230 Volt | Voetflensbevestiging B3 | 3000 RPM

  • Uitermate geschikt als motor voor een hydrauliekaggregaat
  • Voorzien van bevestigingssteun B3

Technishe eigenschappen:

  • Motortype: ML 90-S
  • Bouwgrootte: 90
  • Materiaal: aluminium
  • Voltage: 230 Volt (50 Hz) 
  • Vermogen: 1,5 kW / 2 pk
  • As: 24 mm met spiebaan
  • Flens diameter: 140 mm
  • Toerental: 2810 RPM
  • Gewicht: 13 kg
  • Type voet: B3
  • Voor verdere specificaties zie specssheet 1.

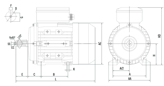
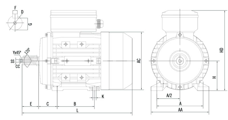
Maatgeving technische tekening (in mm):

A 140 D 24
AA   172 SS M8
AC 185 E 50
B 100 F 8
C 56 G 20
H 90    
HD 240    
K 10x13    
L 315    


Voor verdere uitgebreide technische tekening zie specssheet afmetingen.