• Vanaf €100,- gratis bezorgd
  • Vakkundige service, engineering en eigen werkplaats
  • Vandaag besteld vandaag verzonden
0
Winkelwagen (0)

Geen producten

Assortiment

1 fase elektromotor 1,1 kW 230 Volt | Voetflensbevestiging B3-B14 | 3000 RPM

✓ 1 fase elektromotor 1,1 kW ✓ IE2 ✓ 230V ✓ B3 voet ✓ B14 flens ✓ 3000 RPM

236, 25 excl. btw
285, 86 incl. btw
Prijs per stuk

Verwachte levertijd : 1 week(en)

€ 0,00
  • Klantbeoordeling 9,1/10 op Kiyoh
  • Op voorraad en vandaag besteld is vandaag verzonden
  • Vakkundige service, engineering en eigen werkplaats

Productbeschrijving

1 fase elektromotor 1,1 kW 230 Volt | Voetflensbevestiging B3-B14 | 3000 RPM

  • Uitermate geschikt als motor voor een hydrauliekaggregaat
  • Voorzien van bevestigingssteun (B3) en flens (B14)

Technishe eigenschappen:

  • Motortype: ML 80-2
  • Bouwgrootte: 80
  • Materiaal: aluminium
  • Voltage: 230 Volt (50 Hz) 
  • Vermogen: 1,1 kW / 1,5 pk
  • As: 19 mm met spiebaan
  • Flens diameter: 120 mm
  • Toerental: 2810 RPM
  • Gewicht: 10 kg
  • Type voet: B3
  • Type flens: B14
  • Voor verdere specificaties zie specssheet 1.

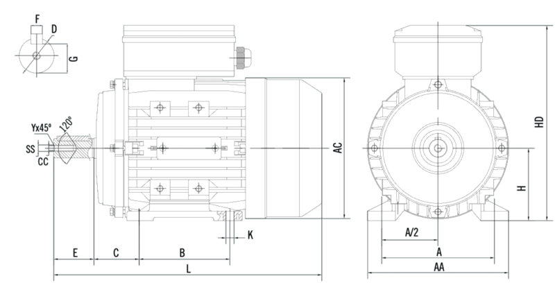
Maatgeving technische tekening (in mm):

A 125 D 19 M   100
AA   157 SS M6 N 80
AC 165 E 40 P 120
B 100 F 6 S M6
C 50 G 15,5 T 3
H 80        
HD 223        
K 10x13        
L 295        


Voor verdere uitgebreide technische tekening zie specssheet afmetingen.