• Vanaf €100,- gratis bezorgd
  • Vakkundige service, engineering en eigen werkplaats
  • Vandaag besteld vandaag verzonden
0
Winkelwagen (0)

Geen producten

Assortiment

1 fase elektromotor 0,75 kW 230 Volt | Voetflensbevestiging B3 | 1500 RPM

✓ 1 fase elektromotor 0,75 kW ✓ 230V ✓ B3 voet ✓ 1500 RPM

236, 25 excl. btw
285, 86 incl. btw
Prijs per stuk

Verwachte levertijd : 1 week(en)

€ 0,00
  • Klantbeoordeling 9,1/10 op Kiyoh
  • Op voorraad en vandaag besteld is vandaag verzonden
  • Vakkundige service, engineering en eigen werkplaats

Productbeschrijving

1 fase elektromotor 0,75 kW 230 Volt | Voetflensbevestiging B3 | 1500 RPM

  • Uitermate geschikt als motor voor een hydrauliekaggregaat
  • Voorzien van bevestigingssteun B3

Technishe eigenschappen:

  • Motortype: ML 80-2
  • Bouwgrootte: 80
  • Materiaal: aluminium
  • Voltage: 230 Volt (50 Hz) 
  • Vermogen: 0,75 kW / 1 pk
  • As: 19 mm met spiebaan
  • Flens diameter: 120 mm
  • Toerental: 1410 RPM
  • Gewicht: 9 kg
  • Type voet: B3
  • Voor verdere specificaties zie specssheet 1.

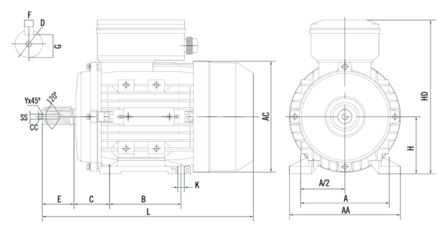
Maatgeving technische tekening (in mm):

A 125 D 19
AA   157 SS M6
AC 165 E 40
B 100 F 6
C 50 G 15,5
H 80    
HD 223    
K 10x13    
L 295    


Voor verdere uitgebreide technische tekening zie specssheet afmetingen.